| Подшипники шпинделя | NSK |
| Двигатель оси X/Z | Fanuc 0i-TF Plus |
| Подшипники оси X/Z | Nachi/NSK |
| ШВП (прямой привод) | THK/Bosch Rexroth |
| Направляющие | Nachi/Heger |
| Гидравлика | SEOAM/Sanliu/AUTOGRIP |
| Электрические компоненты | Schneider/ABB |
Система ЧПУ FANUC0i-TF Plus— система числового программного управления для токарных станков. Она отличается высокой надежностью и гибкостью. Основные характеристики включают:
| Макс. общее количество осей управления | 3 |
| Система приращений С | 0.1 um |
| Система приращений | 0.1 um |
| Дисплей | Цветной 10.4 |
| Мотор | Энкодер |
| Интерфейс подключения | Ethernet/USB |
| Режимы | MDI, AUTO, JOG, HAND, REF,EDIT |
| Режим редактирования | Редактирование ISO в режиме онлайн |
| PMC система | 24 000 |
| Максимальное количество режущих элементов | 60/256 |
| Ручная подача рукояткой | 0.1/0.01/0.OOl mm |
| Ручная подача рукояткой | 0.1/0.01/0.OOl mm |
| Резервное копирование данных | Flash ROM |
| Скорость ускорения считывания | 0%-150% |
| Перенос данных | 0%-150% |
| Ввод/ вывод данных | Ethernet, USB, Карта памяти |
| Оси шпинделя | |
| Линейная интерполяция | X/Z |
| Круговая интерполяция | X-Z |
Цельнолитая станина
Станина станка изготовлена из высокопрочного литого чугуна марки HT300. Она подвергнута прецизионной механической обработке и термообработке для повышения амортизации ударов и уменьшения деформации, что делает станину прочной и обеспечивает ее геометрическую точность и долговременную стабильность. Конструкция станины проверена с помощью статического и динамического силового анализа, что гарантирует высокую точность и стабильность станка при тяжелой и высокоскоростной резке.Направляющие HNK
Ось X оснащена сервомотором Fanuc мощностью 3,14 кВт с тормозом, а ось Z — сервомотором Fanuc мощностью 3,14 кВт.Шпиндель
Шпиндель имеет высокоскоростную и высокоточную встроенную конструкцию, исключающую промежуточный механизм передачи, что снижает вибрации и термическое смещение, обеспечивая высокую точность обработки и жесткость. Изготовлен из материала 20CrMo, полностью закален для лучшей жесткости и ударопрочности, что позволяет выполнять тяжелую резку. Максимальная скорость - 3500 об/мин, с регулируемой скоростью, низким нагревом и высоким крутящим моментом для эффективной обработки. Используются радиально-упорные подшипники P4 с предварительным натягом, что повышает точность и долговечность шпинделя. Охлаждение осуществляется водяным охладителем для тепловой стабильности.
Гидравлический 3-кулачковый патрон
Высококачественный патрон. Быстрый и точный зажим заготовки. Управление от педали, кнопками на панели системы ЧПУ или с помощью М-команд. Проходное отверстие для работы с длинными заготовками. Изготовлен из высококачественной легированной стали. Регулируемое усилие зажатия.Инструментальный барабан
Имеет несколько монтажных плоскостей и пазов на инструментальном диске для фиксации токарного или сверлильного держателя, изолированных от внутренней структуры. Держатель инструмента фиксируется в каждой позиции с помощью позиционирующих штифтов и винтов. Револьверная голова поддерживает установку как токарных инструментов, так и фрез, что позволяет выполнять токарную и фрезерную обработку. Позиционная точность составляет 0,002 мм, а время индексирования — 0,2, при полном обороте — 0,6.Программируемая гидравлическая задняя бабка
Задняя бабка с встроенным серводвигателем. Перемещается по собственным линейным направляющим независимо от суппорта. Управляется системой ЧПУ. Возможность запрограммировать подвод задней бабки к заготовке и отвод от нее, за счет чего сокращается время обработки. Перемещение задней бабки управляется системой на основе сервопривода, которая программируется командами M-кода. Обеспечивает полностью автоматическое и высокоточное управление, с возможностью гибкой настройки усилия необходимой при обработке детали.ШВП
Шарико-винтовая передача THK с шагом 10 мм обеспечивает скорость перемещения до 30 м/мин и ускорение до 0,8 g при номинальной скорости 3000 об/мин. Винты имеют точность класса LC3. Подшипники с точностью NSK P4 смазаны специальной смазкой для обеспечения плавного хода.Система подачи СОЖ
Используется для снижения температуры резания и износа инструмента. Она эффективно уменьшает тепловыделение в процессе обработки, защищает точность и срок службы станка, а также повышает эффективность и качество обработки. Система охлаждения включает в себя масляный насос для подачи охлаждающей жидкости. В данной модели используется насос для охлаждающей воды мощностью 750 Вт и с производительностью до 4 м³/ч.Автоматическая система смазки
Обеспечивает централизованную своевременную смазку по основным движущимся элементам – ШВП, направляющим, подшипникам, что эффективно препятствует износу и многократно увеличивает их срок службы. Система смазки компактно встроена в корпус станка. При низком уровне масла в системе – появляется советующая индикация на панели оператора.Гидростанция
Отвечает за движение исполнительных механизмов, зажимов и других элементов станка, используя гидравлическое масло в качестве носителя энергии. Двигатель передает энергию на вал, который запускает насос, всасывающий рабочую жидкость из бака. Масло поступает по шлангам к распределительным устройствам, где давление и направление его движения регулируются распределителями.Электрические компоненты
В станке применяются надёжные электрические высококачественные компоненты от Fanuc.ЧПУ Fanuc 0i-TF Plus
• Интегрированный контроллер. Оснащен самым современным методом связи M3, что обеспечивает отличную производительность;Конвейер для стружки
Система сбора и транспортировки стружки позволяет эффективно удалять различные виды отходов обработки, такие как гранулированная, порошковая и полосовая стружка, из металлических и неметаллических материалов. Это способствует улучшению условий работы, снижению трудозатрат и повышению уровня автоматизации станка.Воздушное охлаждение шпинделя
Воздушное охлаждение является самым простым и одновременно надежным способом предотвращения перегрева шпинделя.Водяное охлаждение шпинделя (чиллер)
Отличается более сложной конструкцией, но незаменим в производственных условиях. Его использование оправдано и эффективно.LED подсветка рабочей зоны
Современное светодиодное освещение. Пылевлагозащищенный специальный станочный светильник. Полное освещение рабочей зоны станка.Трехцветная сигнальная лампа
Цветовая индикация текущего состояния станка. Удаленно сообщает оператору о состоянии режима работы. Современный дизайн.Кабинетная защита со стальной передней дверью
Полностью закрытая рабочая зона с защитными устройствами. Передняя стальная дверь. Максимальная защита персонала. Защита от попадания внутрь станка пыли, влаги и посторонних предметов.Уловитель готовых деталей+конвейер
Сбор изделий и предотвращение их повреждения. Устройство для сбора деталей снижает необходимость ручного вмешательства, позволяя ЧПУ станку работать в полном автоматическом режиме и защищая детали от повреждений. Это эффективно экономит трудозатраты и повышает производительность.Маслоотедлитель (сепаратор СОЖ)
Удаление масел с поверхности СОЖ предотвращает ее преждевременное загрязнение и коррозию станка.Система измерения инструмента Renishaw HPMA
При измерении инструмента датчик выдвигается автоматически. Позволяет измерить/контролировать размер инструмента перед обработкой, а так же вести мониторинг износа или поломки инструмента в процессе обработки.Уловитель масляного тумана
Эффективно собирает масляный туман во время работы и, при необходимости, обеспечивает возврат собранного масла обратно в станок. Применяются на металлообрабатывающем производстве образуется масляный туман после применения смазочно-охлаждающей эмульсии и различных масел. Постоянное осаждение капель тумана на поверхностях пола, стен и оборудования в цехе приводит к нарушению условий гигиены труда.Пистолеты СОЖ и воздуха
Инструмент, подключаемый к системе подачи сжатого воздуха/СОЖ, который используется для очистки рабочей зоны, детали и режущего инструмента от стружки, пыли и других загрязнений.Пульт с маховиком
Дает возможность ручного управления станком, без использования кнопочного пульта системы ЧПУ. Меньше вероятность столкновений при наладке. Оснащен кнопкой аварийного останова.Система подачи СОЖ под давлением
Повышает эффективность процесса обработки материалов. Она направляет поток СОЖ через сопла и инструмент непосредственно в зону резания, что обеспечивает ряд преимуществ, включая снижение вероятности наматывания стружки.Система подачи воздуха на кулачки
Сжатый воздух подается через сопла в зону патрона на кулачки. Это способствует удалению налипшей стружки на кулачках для сокращения времени установки новой детали и уменьшает шанс попадания стружки в шпиндель, а также облегчает работу пруткоподатчика.Функция дробления стружки Fanuc
Дробление стружки — инновационная программная функция, созданная для эффективного управления длинной стружкой и оптимизации процессов обработки. Эта передовая технология использует возможности системы ЧПУ FANUC, обеспечивая прецизионное колебание инструмента вдоль линии реза. Результат — разрушение длинной стружки без компромиссов в точности и качестве обработки поверхности.MANUAL GUIDE I для Fanuc 0i-TF
Удобная среда программирования, упрощающая создание, редактирование и проверку управляющих программ. Она оснащена диалоговым интерфейсом, поддерживает встроенные циклы для сверления, точения и фрезерования, а также предоставляет функции реалистичной симуляции обработки, что позволяет проверять программы перед их выполнением. Подходит как для начинающих, так и для опытных операторов, обеспечивая быстрый и эффективный процесс настройки и работы.
Цанговый патрон
Обеспечивает высокую точность позиционирования и минимальный радиальный зазор, что делает его идеальным для работы с высокоточными деталями.
Возможность установки 12-ти дюймового гидравлического патрона
Высококачественный патрон. Быстрый и точный зажим заготовки. Управление от педали, кнопками на панели системы ЧПУ или с помощью М-команд. Проходное отверстие для работы с длинными заготовками. Изготовлен из высококачественной легированной стали. Регулируемое усилие зажатия.
Автоматическое открытие дверей
Функция автоматического открытия и закрытия двери после завершения обработки детали реализуется через систему ЧПУ. Это важно для обеспечения высокой производительности и безопасности.| Модель | STK300 (L*) |
| Основные рабочие характеристики | |
| Макс.диаметр устанавливаемый над станиной, мм | 600 |
| Макс. диаметр обработки, мм | 420 |
| Макс. длина обработки, мм | 600 (1200) |
| Диаметр обработки прутка мм | 74 |
| Подача | |
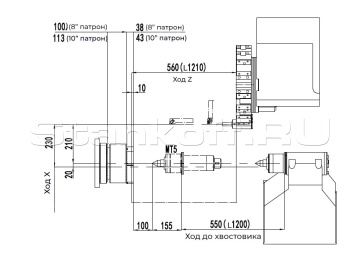
| Перемещение по оси X, мм | 210+20 |
| Перемещение по оси Z, мм | 610 (1210) |
| Скорость перемещения по оси X, м/мин | 30 |
| Скорость перемещения по оси Z, м/мин | 30 |
| Шпиндель | |
| Размер патрона, дюйм | 10 |
| Макс. скорость шпинделя, об/мин | 3500 |
| Конус шпинделя | A2-8 |
| Мощность двигателя, кВт | 15/18,5 |
| Потребляемая мощность станка, кВа | 35 |
| Диаметр отверстия в шпинделе, мм | 91 |
| Макс. крутящий момент, Нм | 580 |
| Инструментальный барабан |
|
| Количество инструмента, шт | 12 |
| Размер инструмента, мм | 25x25 |
| Диаметр державки расточного инструмента, мм | 40 |
| Время поворота инструментального барабана, сек | 0,2 |
| Задняя бабка | |
| Движение задней бабки, мм | 600 (1200) |
| Конус пиноли | MT5 |
| Габаритные размеры | |
| Длина станка, мм | 2500 (3200) |
| Ширина станка, мм | 1960 |
| Высота станка, мм | 1780 |
| Вес станка, кг | 4500 (5500) |
| L* (указаны характеристики для модели STK300L) |
Если покупка товаров совершается юридическим лицом, то оплата производится по счету, выставленному менеджером:
Выберите понравившийся товар. Сообщите менеджеру, что хотите приобрести этот товар в лизинг.
Основные условия лизинга оборудования:
Оплата заказа по выставленному менеджером счету. Возможны два варианта:
Оплатить счет можно двумя способами:
Только для физических лиц. При оплате наличными предоставляются кассовый и товарный чеки.
Оплата банковскими картами осуществляется через АО «АЛЬФА-БАНК».
К оплате принимаются карты VISA, MasterCard, МИР.
Отправка заказов в регионы России осуществляется рядом транспортных компаний. Доставка в регионы оплачивается покупателем в соответствии с тарифами компании, осуществляющей перевозку. Доставка оплачивается покупателем при получении груза в транспортной компании. Для оформления доставки потребуются ваши паспортные данные.

Внешний вид товара может отличаться от фотографий на сайте. Несовпадение внешнего вида и комплектности реального товара с фотографиями на сайте не является показателем ненадлежащего качества товара.
Информация о товаре, его технических характеристиках и комплектации приводится в соответствии с общедоступными источниками информации. Технические характеристики и комплектация товара могут быть изменены производителем без предварительного уведомления. Уточняйте важные для Вас параметры у наших менеджеров.
Токарный обрабатывающий центр NEXUS 42
4 617 851 ₽
Токарный обрабатывающий центр NEXUS 55ML
8 209 512 ₽