Ролик прижимной для линий укутывания.
Обкаточные ролики с силиконовым или полиуритановым покрытием различной формы и твердости. Ролики обеспечивают надежный прижим облицовочного материала к профильной заготовке. Верхние и боковые ролики имеют возможность настройки по высоте, ширине и под углом в зависимости от профиля обрабатываемых заготовок.
Барберан BARBERAN CA-4m, Berbenar RP-30-FM, BARBERAN RP30, BARBERAN RCN-400/2, masterPROFF WL-3000, masterPROFF WL-4000, masterPROFF WL-5000, masterPROFF WL-6000, masterPROFF WL, PROFI UNIVERSAL PRO, FJP-16/4,5, STARTEC SRT-6, STARTEC SRT-3, STARTEC SRT-4, STARTEC SRT-mini, STARTEC QDR-1070, STARTEC SRT-1772, STARTEC DFR-1248, STARTEC GT-104 F, WoodTec PROFILINER, WoodTec 300 B,Унимак Unimak /Unimac, ITALMAC Universal PRO, О-2-400, О-4m, О-300 M, О-33-L, О-30-mod, О-400/2, К-30-Modular, К-33-L-Modular, К2-400, FA2-400, TG-TIV (MFD 300), TGB-III, 300-С, HCM RP-300 EVA, FA2-400, FL-300 M, HY-J-300, PROFILE-L, PUR-33-L, PUR-33-L-Modular, RP-30-mod, DITEC Line 4000 ПВХ, DITEC Line 4000 E, DITEC Line 4000 G, DITEC Line 4000 PUR, DITEC Line 5000 PUR, plasmek, ПрофильДоорс 2, MC350B-PUR, SBF II, SBF III, FA2-400, FC2-400, HS FA1 400, HS FA2 400, HS FD1 500, HS FB1 400, HS FB2 400, HS FC1 400, HS FC2 400, HCM RP-300 EVA, HCM RP-300 EVA, MC350B-PUR, BEAVER MBF 300, LM 300 W6-P INTERGRUP,LM 300 F6-E, LM 300 F7-E, LM 300 F8-SE, LM 300 W6-P, LM 300 W6-S, LM300-W3-S, FRIZ PUM 120/30/WH/S, FRIZ PU 20/25, FRIZ OPTIMAT PU 20, PW 35 F5 E Unimak, CA-4m, PU 20/25/S/RS, HY-J-300, FA2-400, WS DA 350 LC MHF
Ролик нейлоновый - 1шт., ось – 1 шт.
По желанию заказчика возможна комплектация осью любого типа.
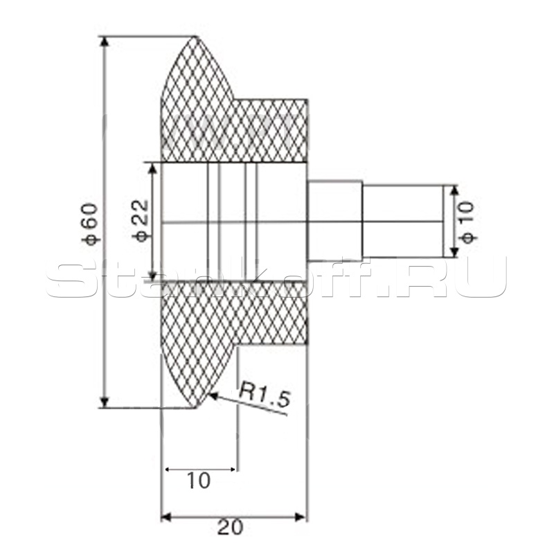
| Артикул | 0000000368 |
| Габаритные размеры | 60x20x2 |
| Радиус (R) | R1,5 |
| Материал | нейлон |
Если покупка товаров совершается юридическим лицом, то оплата производится по счету, выставленному менеджером:
Выберите понравившийся товар. Сообщите менеджеру, что хотите приобрести этот товар в лизинг.
Основные условия лизинга оборудования:
Оплата заказа по выставленному менеджером счету. Возможны два варианта:
Оплатить счет можно двумя способами:
Только для физических лиц. При оплате наличными предоставляются кассовый и товарный чеки.
Оплата банковскими картами осуществляется через АО «АЛЬФА-БАНК».
К оплате принимаются карты VISA, MasterCard, МИР.
Отправка заказов в регионы России осуществляется рядом транспортных компаний. Доставка в регионы оплачивается покупателем в соответствии с тарифами компании, осуществляющей перевозку. Доставка оплачивается покупателем при получении груза в транспортной компании. Для оформления доставки потребуются ваши паспортные данные.

Внешний вид товара может отличаться от фотографий на сайте. Несовпадение внешнего вида и комплектности реального товара с фотографиями на сайте не является показателем ненадлежащего качества товара.
Информация о товаре, его технических характеристиках и комплектации приводится в соответствии с общедоступными источниками информации. Технические характеристики и комплектация товара могут быть изменены производителем без предварительного уведомления. Уточняйте важные для Вас параметры у наших менеджеров.